Beranda
/ Contoh Soal Pengukuran Mikrometer Sekrup - Mikrometer Cara Menggunakan Membaca Dan Contoh Soalnya / Tentukan diameter keping logam hasil pengukuran tersebut.
Contoh Soal Pengukuran Mikrometer Sekrup - Mikrometer Cara Menggunakan Membaca Dan Contoh Soalnya / Tentukan diameter keping logam hasil pengukuran tersebut.
Contoh Soal Pengukuran Mikrometer Sekrup - Mikrometer Cara Menggunakan Membaca Dan Contoh Soalnya / Tentukan diameter keping logam hasil pengukuran tersebut.. Besar pengukurannya adalah … a. Pada artikel ini kita akan mebahas mengenai kumpulan contoh soal mikrometer sekrup. Untuk lebih memantapkanmu dalam belajar mikrometer sekrup, mari belajar beberapa contoh soal berikut. 0,01 mm soal no.4 seseorang melakukan pengukuran tebal buku tulis dengan jangka sorong. Contoh soal 3 tebal sebuah lempeng logam yang diukur dengan mikrometer sekrup seperti ditunjukkan.
Pembahasan soal jangka sorong nomor 2. Jadi, hasil pengukurannya 4,30 mm. 0,01 mm merupakan batas ketelitian mikrometer sekrup. Skala nonius = 0,30 mm. (5,24 + 0,01) mm b.
Hasil Pengukuran Dengan Mikrometer Sekrup Seperti Gambar Di Bawah Ini Adalah Brainly Co Id from id-static.z-dn.net Jawaban yang benar adalah e. 0,01 mm soal no.4 seseorang melakukan pengukuran tebal buku tulis dengan jangka sorong. Nilai tersebut diperoleh dari setengah ketelitian mikrometer sekrup. Jika pada suatu pengukuran didapatkan gambar skala utama ataupun skala nonius dibawah ini,hitunglah berapa panjang dari benda yang akan diukur? 10 contoh soal mikrometer sekrup lengkap dengan pembahasannya. Itulah yang dapat kami bagikan terkait contoh soal pengukuran jangka sorong dan mikrometer sekrup. 09 agu 2021, 08:00 wib diperbarui 09 agu 2021, 08:00 wib. Seorang anak melakukan pengukuran tebal benda menggunakan mikrometer sekrup terlihat seperti gambar berikut.
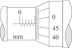
Pada contoh pengukuran di atas, cara membaca mikrometer sekrup tersebut adalah:
Seorang anak melakukan pengukuran tebal benda menggunakan mikrometer sekrup terlihat seperti gambar berikut. Mikrometer sekrup, fungsi, cara membaca, cara mengukur & contoh soal. Sementara itu, nilai ketidakpastian dari mikrometer sekrup sebesar 0,005 mm. Pengukuran mikrometer sekrup sebagai berikut. Utama menunjuk angka 7,5 mm dan skala nonius menunjuk angka 18! Contoh soal jangka sorong 1. 09 agu 2021, 08:00 wib diperbarui 09 agu 2021, 08:00 wib. Skala utama = 1,5 mm. D = 7,5 mm + 0,18 mm. Das ist das neue ebay. Itulah yang dapat kami bagikan terkait contoh soal pengukuran jangka sorong dan mikrometer sekrup. Perhatikan hasil pengukuran mikrometer sekrup dibawah ini! Sedangkan dibawahnya adalah 0,50 mm.
Contoh soal mikrometer sekrup biasa ditemukan pada saat smp ataupun saat kelas 10 sma. Contoh soal 3 tebal sebuah lempeng logam yang diukur dengan mikrometer sekrup seperti ditunjukkan. Sementara itu, nilai ketidakpastian dari mikrometer sekrup sebesar 0,005 mm. Hitunglah hasil pengukuran menggunakan mikrometer sekrup jika skala. Hasil pengukurannya adalah 5,24 mm.
Cara Membaca Mikrometer Sekrup Lengkap Contoh Soal Dan Pembahasan Hot Liputan6 Com from cdn1-production-images-kly.akamaized.net Fungsi utama mikrometer sekrup adalah sebagai alat pengukur diameter atau ketebalan suatu benda. Skala nonius = 46 × 0,01 mm = 0,46mm. Maka, hasil pengukuran = skala utama + skala nonius = 1,5 + 0,3 = 1,80 mm. D soal nomor 5 huda mengukur tebal dua pelat baja menggunakan mikrometer sekrup seperti gambar berikut. Besar pengukurannya adalah … a. Seorang anak melakukan pengukuran tebal benda menggunakan mikrometer sekrup terlihat seperti gambar berikut. Agar lebih memahaminya, berikut contoh soal pengukuran mikrometer sekrup yang bisa dipelajari. D = 7,5 mm + 0,18 mm.
Itulah yang dapat kami bagikan terkait contoh soal pengukuran jangka sorong dan mikrometer sekrup.
Mikrometer sekrup, fungsi, cara membaca, cara mengukur & contoh soal. Hitunglah hasil pengukuran menggunakan mikrometer sekrup jika skala. Jadi panjang benda adalah 6,8 cm + 0,06 cm = 6,86 cm. Fungsi utama mikrometer sekrup adalah sebagai alat pengukur diameter atau ketebalan suatu benda. Skala nonius 30 001mm 030mm. Jawaban yang benar adalah e. Contoh soal 3 tebal sebuah lempeng logam yang diukur dengan mikrometer sekrup seperti ditunjukkan. D soal nomor 5 huda mengukur tebal dua pelat baja menggunakan mikrometer sekrup seperti gambar berikut. Hasil = skala tetap ditambah skala nonius. Pembacaan dan perhitungan mikrometer sekrup umumnya muncul di soal ujian siswa smp dan sma. Hasil ukur = skala utama + skala nonius = 3,00 mm + 0,22 mm = 3,22 mm. Setiap alat ukur memiliki ketelitian yang berbeda sehingga ketidakpastian jangka sorong adalah 0,05 mm atau 0,005 cm. Hasil = skala tetap + skala nonius.
•pada skala utama, bila dihitung maka akan didapatkan nilai 9,00 mm. Ćber 80% neue produkte zum festpreis; Dengan memperhitungkan kesalahan mutlak, pembacaan dari hasil pengukuran tersebut dapat dituliskan menjadi. Hasil ukur = skala utama + skala nonius hasil ukur = 3,50 + 0,27 = 3,77 mm. (5,24 + 0,05) mm c.
Mikrometer Sekrup Cara Menggunakan Cara Membaca Contoh Soal from i2.wp.com Pengukuran tebal batang terlihat seperti gambar dibawah ini. Jadi, hasil pengukurannya 4,30 mm. Contoh soal mikrometer sekrup beserta jawabannya. 0,01 mm soal no.4 seseorang melakukan pengukuran tebal buku tulis dengan jangka sorong. D = 7,5 mm + 0,18 mm. Contoh soal mikrometer sekrup biasa ditemukan pada saat smp ataupun saat kelas 10 sma. Maka, hasil pengukuran = skala utama + skala nonius = 7,5 mm + 0,19 mm = 7,69 mm. Sedangkan dibawahnya adalah 0,50 mm.
Cara membaca mikrometer sekrup dikenal cukup akurat untuk menghitung benda dengan ukuran kecil karena.
Hitunglah hasil pengukuran menggunakan mikrometer sekrup jika skala. Contoh soal 1 perhatikan gambar mikrometer sekrup berikut ini! Contoh soal 3 tebal sebuah lempeng logam yang diukur dengan mikrometer sekrup seperti ditunjukkan. Skala nonius = 46 × 0,01 mm = 0,46mm. Fungsi utama mikrometer sekrup adalah sebagai alat pengukur diameter atau ketebalan suatu benda. Pembacaan dan perhitungan mikrometer sekrup umumnya muncul di soal ujian siswa smp dan sma. Skala tetap = 2 × 1 mm = 2 mm skala vernier = 0. Garis di sebelah atas merupakan skala utama dan garis di sebelah bawah merupakan skala nonius (skala tambahan). •pada skala utama, bila dihitung maka akan didapatkan nilai 9,00 mm. Liputan6.com, jakarta memahami cara membaca mikrometer sekrup akan memudahkan cara menghitung skalanya. Penggaris/mistar, jangka sorong, dan mikrometer sekrup merupakan contoh alat ukur panjang. Mikrometer sekrup = 0,01 mm jawaban : Pada bagian atas skala utama, jarak setiap angka adalah 1,00 mm.
Berbagi
Posting Komentar
untuk "Contoh Soal Pengukuran Mikrometer Sekrup - Mikrometer Cara Menggunakan Membaca Dan Contoh Soalnya / Tentukan diameter keping logam hasil pengukuran tersebut."
Posting Komentar untuk "Contoh Soal Pengukuran Mikrometer Sekrup - Mikrometer Cara Menggunakan Membaca Dan Contoh Soalnya / Tentukan diameter keping logam hasil pengukuran tersebut."